电子招采系统
郑重声明:
近期,有许多人自称是球友会官方网站(简称湘咨管理)职员,开展招标代理、造价、监理、工程咨询等业务活动。在此,我们郑重声明:凡我司职员或授权开展相关业务人员,都具备“湘咨管理”电子名片小程序,请各地方客户和广大群众提高警惕,谨防上当受骗。如已造成损失,及时向当地公安机关举报案件线索。我司保留采取相应法律手段的权利。特此声明。我司联系人:王工 联系电话0731-84447300-2090。
监督电话:
85507300
球友会(中国)
公司概况
公司简介
领导致辞
组织架构
资质认证
主要荣誉
企业文化
企业文化
党建群团
优秀员工
发展纲要
新闻中心
公司新闻
行业新闻
通知公告
政策法规
招标采购
造价咨询
工程咨询
工程监理
招采信息
招标公告
中标公示
更正公告
其它
业务案例
业务范围
合作单位
精品案例
业绩展示
分支机构
人才招聘
联系我们
线上办公
OA办公系统
电子招采系统
关注我们
企业定位:竭诚为客户提供一站式、全过程工程咨询服务
企业使命:为项目创造价值,为客户追求卓越,为员工增进福祉
服务宗旨:公正 专业 科学 诚信
B
招标采购信息
idding & procurement
招标公告
中标公示
更正公告
其它
中标公示
以政府部门指定的媒体发布为准
当前位置:
球友会(中国)->招标采购信息->中标公示
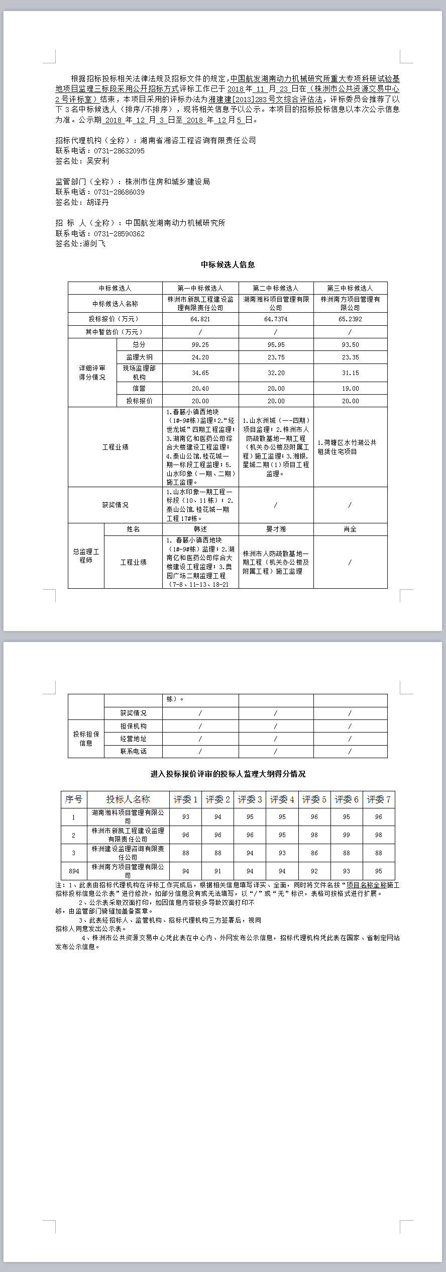
中国航发湖南动力机械研究所重大专项科研试验基地项目监理三标段 招标投标信息公示表
发布时间:2018-12-04 01:00:50 阅读:
1108
次
打印本页
||
关闭窗口
联系方式
电话:(0731)85507300/85567300
网址:http://www.deborahhorrell.com
地址:长沙市雨花区雨花路88号(大鸿杰座)
邮编:410007
线上办公
电子招采系统
关注我们
公司概况
|
企业文化
|
新闻中心
|
政策法规
|
招采信息
|
业务案例
|
分支机构
|
人才招聘
|
联系我们
Copyright 2024
http://www.deborahhorrell.com All Rights Reserved
球友会官方网站 版权所有
湘ICP备2021014897号-1
网站访问量:52651367
网站统计
业务咨询
(0731)85507300/85567300
电子邮件
江南网页版页面登录
|
好博网页版
|
江南网页版
|
华体平台
|
米兰平台
|
开云手机平台
|
开云电竞(中国)开云官方网站-登录入口
|
球友会(QY)唯一官方网站
|
开云线上(中国)科技股份公司
|